

結構特點及用途:
二片式高平臺法蘭球閥具有旋轉 90 度的動作,旋塞體為球體,有圓形通孔或通道通過其軸線。球閥在管路中主要用來做切斷、分配和改變介質的流動方向,它只需要用旋轉 90 度的操作和很小的轉動力矩就能關閉嚴密。球閥最適宜做開關、切斷閥使用。
重要特點:
◎ 2片式浮動球閥
◎ 防吹出,防靜電閥桿
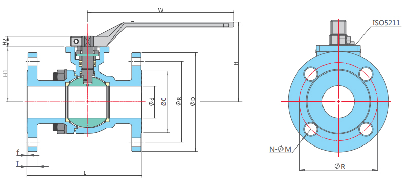
◎ ISO5211 直裝平臺
◎ PN25-PN40,150LB,300LB 標準
◎ 自適應密封結構設計
◎ 帶防火設計 ( 定制 )
設計/檢測標準:
設計標準: GB/T 12237 ASME B16.34
結構長度: GB/T 12221 ASME B16.1
法蘭標準: HG/T 20592 ASME B16.5
測試標準: BG/T 13927 API598
PN10-16連接尺寸
DN | d | L | D | D1 | R f | H | Hl | H2 | T | N | 0M | ISO5211 | ||
| 1/2 - | 15 | 130 | 95 | 65 | 45 | 2 | 76 | 49 | 8 | 16 | 4 | 14 | F03 | F05 |
| 3/4 - | 20 | 130 | 105 | 75 | 55 | 2 | 80 | 54 | 8 | 18 | 4 | 14 | F03 | F05 |
| 1' | 25 | 140 | 115 | 85 | 65 | 2 | 92 | 64 | 10 | 18 | 4 | 14 | F04 | F05 |
| 1-1/4" | 32 | 165 | 140 | 100 | 78 | 2 | 102 | 71 | 10 | 18 | 4 | 18 | F04 | F05 |
| 1-1/2" | 38 | 165 | 150 | 110 | 85 | 2 | 112 | 75 | 14 | 18 | 4 | 18 | F05 | F07 |
| 2" | 49 | 203 | 165 | 125 | 100 | 2 | 122 | 85 | 14 | 18 | 4 | 18 | F05 | F07 |
| 2-1/2' | 65 | 222 | 185 | 145 | 120 | 2 | 168 | 100 | 18 | 18 | 8 | 18 | F07 | F10 |
| 3' | 78 | 241 | 200 | 160 | 135 | 2 | 178 | 110 | 18 | 20 | 8 | 18 | F07 | F10 |
| 4" | 98 | 305 | 220 | 180 | 155 | 2 | 198 | 130 | 18 | 20 | 8 | 18 | F07 | F10 |
| 5' | 125 | 356 | 250 | 210 | 185 | 2 | 235 | 165 | 23 | 22 | 8 | 18 | F10 | F12 |
| 6" | 150 | 394 | 285 | 240 | 210 | 2 | 288 | 172 | 28 | 22 | 8 | 22 | F12 | F14 |
| 8" | 200 | 457 | 340 | 295 | 265 | 2 | 325 | 213 | 37 | 24 | 12 | 22 | F12 | F14 |
PN25-40連接尺寸
| DN | d | L | D | DI | R f | H | Hl | H2 | T | N | 0M | ISO5211 | |||||||
| 1/2 - | 15 | 130 | 95 | 65 | 45 | 2 | 76 | 49 | 8 | 16 | 4 | 14 | F03 | F05 | |||||
| 3/4- | 20 | 130 | 105 | 75 | 55 | 2 | 80 | 54 | 8 | 18 | 4 | 14 | F03 | F05 | |||||
| 1' | 25 | 140 | 115 | 85 | 65 | 2 | 92 | 64 | 10 | 18 | 4 | 14 | F04 | F05 | |||||
| 1-1/4" | 32 | 165 | 140 | 100 | 78 | 2 | 102 | 71 | 10 | 18 | 4 | 18 | F04 | F05 | |||||
| 1-1/2" | 38 | 165 | 150 | 110 | 85 | 2 | 112 | 75 | 14 | 18 | 4 | 18 | F05 | F07 | |||||
| 2' | 49 | 203 | 165 | 125 | 100 | 2 | 122 | 85 | 14 | 20 | 4 | 18 | F05 | F07 | |||||
| 2-1/2" | 65 | 222 | 185 | 145 | 120 | 2 | 168 | 100 | 18 | 22 | 8 | 18 | F07 | F10 | |||||
| 3" | 78 | 241 | 200 | 160 | 135 | 2 | 178 | 110 | 18 | 24 | 8 | 18 | F07 | F10 | |||||
| 4" | 98 | 305 | 235 | 190 | 160 | 2 | 198 | 130 | 18 | 24 | 8 | 22 | F07 | F10 | |||||
| 5' | 125 | 356 | 270 | 220 | 188 | 2 | 235 | 165 | 23 | 26 | 8 | 26 | F10 | F12 | |||||
| 6" | 150 | 394 | 300 | 250 | 218 | 2 | 288 | 172 | 28 | 28 | 8 | 26 | F12 | F14 | |||||
| 8" | 200 | 457 | PN25 | PN40 | PN25 | PN40 | PN25 | PN40 | 2 | 325 | 213 | 37 | PN25 | PN40 | 12 | PN25 | PN40 | F12 | F14 |
| 360 | 375 | 310 | 320 | 278 | 282 | 30 | 34 | 26 | 30 | ||||||||||
150LB連接尺寸
DN | d | L | D | D1 | R | H | Hl | H2 | f | T | N | 0M | ISO 5 | J211 |
| 1/2" | 15 | 108 | 90 | 60.3 | 34.9 | 76 | 49 | 8 | 1.6 | 9.6 | 4 | 16 | F03 | F05 |
| 3/4" | 20 | 117 | 100 | 69.9 | 42.9 | 80 | 54 | 8 | 1.6 | 10.5 | 4 | 16 | F03 | F05 |
| 1" | 25 | 127 | 110 | 79.4 | 50.8 | 92 | 64 | 10 | 1.6 | 11.2 | 4 | 16 | F04 | F05 |
| 1-1/4" | 32 | 140 | 115 | 88.9 | 63.5 | 102 | 71 | 10 | 1.6 | 12.8 | 4 | 16 | F04 | F05 |
| 1-1/2" | 38 | 165 | 125 | 98.4 | 73 | 112 | 75 | 14 | 1.6 | 14.3 | 4 | 16 | F05 | F07 |
| 2" | 49 | 178 | 150 | 120.7 | 92.1 | 122 | 85 | 14 | 1.6 | 15.9 | 4 | 19 | F05 | F07 |
| 2-1/2" | 65 | 190 | 180 | 139.7 | 104.8 | 168 | 100 | 18 | 1.6 | 17.5 | 4 | 19 | F07 | F10 |
| 3" | 78 | 203 | 190 | 152.4 | 127 | 178 | 110 | 18 | 1.6 | 22.3 | 4 | 19 | F07 | F10 |
| 4" | 98 | 229 | 230 | 190.5 | 157.2 | 198 | 130 | 18 | 1.6 | 22.3 | 8 | 19 | F07 | F10 |
| 5" | 125 | 356 | 255 | 215.9 | 185.7 | 235 | 165 | 23 | 1.6 | 22.3 | 8 | 22 | F10 | F12 |
| 6" | 150 | 394 | 280 | 241.3 | 215.9 | 288 | 172 | 28 | 1.6 | 23.9 | 8 | 22 | F12 | F14 |
| 8" | 200 | 457 | 345 | 298.5 | 269.9 | 325 | 213 | 37 | 1.6 | 27 | 8 | 22 | F12 | F14 |
300LB連接尺寸
DN | d | L | D | DI | R | H | Hl | H2 | f | T | N | 0M | ISOS | i211 I |
| 1/2" | 15 | 140 | 95 | 66.7 | 34.9 | 76 | 49 | 8 | 2 | 12.7 | 4 | 16 | F03 | F05 |
| 3/4" | 20 | 152 | 115 | 82.6 | 42.9 | 80 | 54 | 8 | 2 | 14.3 | 4 | 19 | F03 | F05 |
| 1" | 25 | 165 | 125 | 88.9 | 50.8 | 92 | 64 | 10 | 2 | 15.9 | 4 | 19 | F04 | F05 |
| 1-1/4" | 32 | 178 | 135 | 98.4 | 63.5 | 102 | 71 | 10 | 2 | 17.5 | 4 | 19 | F04 | F05 |
| 1-1/2" | 38 | 190 | 155 | 114.3 | 73 | 112 | 75 | 14 | 2 | 19.1 | 4 | 22 | F05 | F07 |
| 2" | 49 | 216 | 165 | 127 | 92.1 | 122 | 85 | 14 | 2 | 20.7 | 8 | 19 | F05 | F07 |
| 2-1/2" | 65 | 241 | 190 | 149.2 | 104.8 | 168 | 100 | 18 | 2 | 23.9 | 8 | 22 | F07 | F10 |
| 3" | 78 | 282 | 210 | 168.3 | 127 | 178 | 110 | 18 | 2 | 27 | 8 | 22 | F07 | F10 |
| 4" | 98 | 305 | 255 | 200 | 157.2 | 198 | 130 | 18 | 2 | 30.2 | 8 | 22 | F07 | F10 |
| 5" | 125 | 381 | 280 | 235 | 185.7 | 235 | 165 | 23 | 2 | 33.4 | 8 | 22 | F10 | F12 |
| 6" | 150 | 403 | 320 | 269 | 215.9 | 288 | 172 | 28 | 2 | 35 | 12 | 22 | F12 | F14 |
| 8" | 200 | 502 | 380 | 330.2 | 269.9 | 325 | 213 | 37 | 2 | 39.7 | 12 | 26 | F12 | F14 |
凱鑫特閥門集團
24小時全國免費熱線:18157792000
聯系電話:0577-67959100 67959200
聯系手機:15381559100 15381559200
地址:溫州市永嘉縣甌北鎮浦西工業區中心路388號





銷售一部

銷售二部